Kies uw leveringslocatie

De keuze van de land/regio-pagina kan invloed hebben op verschillende factoren zoals prijs, verzendopties en beschikbaarheid van producten.
Mijn contactpersoon
igus® B.V.

Modemweg 37c

3821 BS Amersfoort

+31(0)346 353 932
NL(NL)

Special properties cross slide

High precision, extreme stiffening and precise alignment through CNC production

Available as standard and preload version

100% lubricant-free and completely corrosion-free

Adjustments by trapezoidal thread TR 10x2

Mounting of upper unit with right or left alignment possible

Available accessories (hand wheel, cursor ...)

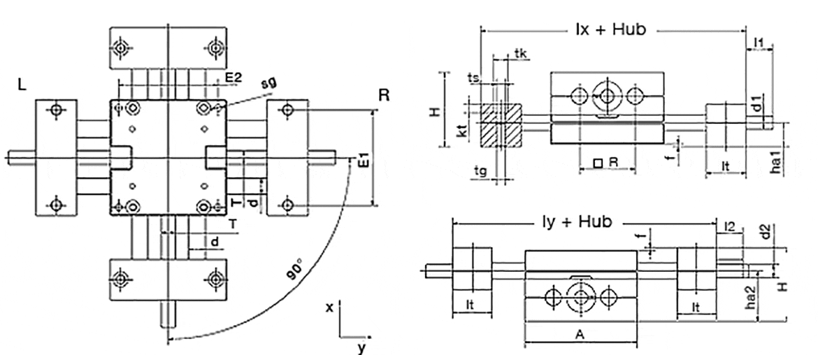
Cross slide

SHT-XY - XY table installation sizes

drylin SHT-XY-08-AWM XY table

SHT-XY-08-AWM

  • Max. stroke length: 150mm
  • Carriage length: 65mm
  • Shaft material: aluminium
  • Shaft diameter: 8mm
drylin SHT-XY-12-AWM XY table

SHT-XY-12-AWM

  • Max. stroke length: 350mm
  • Carriage length: 85mm
  • Shaft material: aluminium
  • Shaft diameter: 12mm

With spring pre-load - PL versions

drylin SHT-XY-12-AWM-PL XY table

SHT-XY-12-AWM-PL

  • Max. stroke length: 350mm
  • Carriage length: 85mm
  • Shaft material: aluminium
  • Shaft diameter: 12mm
  • With pre-load
drylin SHT-XY-20-EWM-PL XY table

SHT-XY-20-EWM-PL

  • Max. stroke length: 500mm
  • Carriage length: 130mm
  • Shaft material: stainless steel
  • Shaft diameter: 20mm
  • With pre-load

SHT/SHT-PL - cross slide


Cross slide lengths and weights [mm]

Order no. A
-0.3
[mm]
H
 
[mm]
E1
±0,15
[mm]
E2
±0,15
[mm]
Base-
length lx
[mm]
Base-
length ly
[mm]
R
 
[mm]
f
 
[mm]
lt
±0,1
[mm]
tk
 
[mm]
ts
 
[mm]
tg
 
kt
 
[mm]
Verzendklaar in 10 werkdagen SHT-XY-12 85 56 70 73 145 145 42 2 30 11 6,6 M8 6,4
Verzendklaar in 10 werkdagen SHT-XY-08 65 42 52 56 96 96 32 1,5 15,5 10 5,5 M6 7
Verzendklaar in 10 werkdagen SHT-XY-12-PL 85 56 70 73 145 145 42 2 30 11 6,6 M8 6,4
Verzendklaar in 10 werkdagen SHT-XY-20-EWM-PL 130 86 108 115 202 202 72 2 36 15 9 M10 8,6
Meer over het geselecteerde onderdeel:
3D-CAD 3D-CAD
Monsterbestelling Monsterbestelling
PDF PDF
Prijsaanvraag Prijsaanvraag
myCatalog myCatalog

Cross slide dimensions [mm]

Order no. sg


d

[mm]
T

l1

[mm]
d1
Standard
d1
Alternativ
l2

[mm]
d2
Standard
d2
Alternativ
ha1

[mm]
ha2

[mm]
W
ha2-ha1
[mm]
Verzendklaar in 10 werkdagen SHT-XY-12 M6 12 TR10x2 17 TR10x2 6h9 17 6h9 18 38 20
Verzendklaar in 10 werkdagen SHT-XY-08 M5 8 TR6x2/TR6,35x2,54 15,5 TR6x2/TR6,35x2,54 5 15 5 13 29 16
Verzendklaar in 10 werkdagen SHT-XY-12-PL M6 12 TR10x2 17 TR10x2 6h9 17 6h9 18 38 20
Verzendklaar in 10 werkdagen SHT-XY-20-EWM-PL M8 20 TR18x4 26 TR18x4 - 26 12h9 23 63 40
Meer over het geselecteerde onderdeel:
3D-CAD 3D-CAD
Monsterbestelling Monsterbestelling
PDF PDF
Prijsaanvraag Prijsaanvraag
myCatalog myCatalog
You can order the hand wheel of the y-axis to be mounted left or right.
Left: SHT-XY-12-AWM-L-200-300 for 200 mm stroke lengths in x-direction and 300 mm in y-direction.
Right: SHT-XY-12-AWM-R-200-300 for 200 mm stroke lenghts in x-direction und 300 mm in y-direction

Technical options for the SHT series

The following options can be delivered for the SHT-XY product range.


More information and cross slide accessories



Verzendklaar in 10 werkdagen

The termen "Apiro", "AutoChain", "CFRIP", "chainflex", "chainge", "chains for cranes", "ConProtect", "cradle-chain", "CTD", "drygear", "drylin", "dryspin", "dry-tech", "dryway", "easy chain", "e-chain", "e-chain systems", "e-ketten", "e-kettensysteme", "e-loop", "energy chain", "energy chain systems", "enjoyneering", "e-skin", "e-spool", "fixflex", "flizz", "i.Cee", "ibow", "igear", "iglidur", "igubal", "igumid", "igus", "igus improves what moves", "igus:bike", "igusGO", "igutex", "iguverse", "iguversum", "kineKIT", "kopla", "manus", "motion plastics", "motion polymers", "motionary", "plastics for longer life", "print2mold", "Rawbot", "RBTX", "readycable", "readychain", "ReBeL", "ReCyycle", "reguse", "robolink", "Rohbot", "savfe", "speedigus", "superwise", "take the dryway", "tribofilament", "tribotape", "triflex", "twisterchain", "when it moves, igus improves", "xirodur", "xiros" en "yes" zijn wettelijk beschermde handelsmerken van igus® GmbH/Keulen in de Bondsrepubliek Duitsland en, indien van toepassing, in sommige andere landen. Dit is een niet-uitputtende lijst van handelsmerken (bijv. lopende handelsmerkaanvragen of geregistreerde handelsmerken) van igus GmbH of gelieerde ondernemingen van igus in Duitsland, de Europese Unie, de VS en/of andere landen of rechtsgebieden.

igus® GmbH benadrukt dat het geen producten verkoopt van de bedrijven Allen Bradley, B&R, Baumüller, Beckhoff, Lahr, Control Techniques, Danaher Motion, ELAU, FAGOR, FANUC, Festo, Heidenhain, Jetter, Lenze, LinMot, LTi DRiVES, Mitsubishi, NUM, Parker, Bosch Rexroth, SEW, Siemens, Stöber en alle andere drive-fabrikanten die worden genoemd op deze website. De producten die worden aangeboden door igus® zijn die van igus® B.V.