Kies uw leveringslocatie

De keuze van de land/regio-pagina kan invloed hebben op verschillende factoren zoals prijs, verzendopties en beschikbaarheid van producten.
Mijn contactpersoon
igus® B.V.

Modemweg 37c

3821 BS Amersfoort

+31(0)346 353 932
NL(NL)

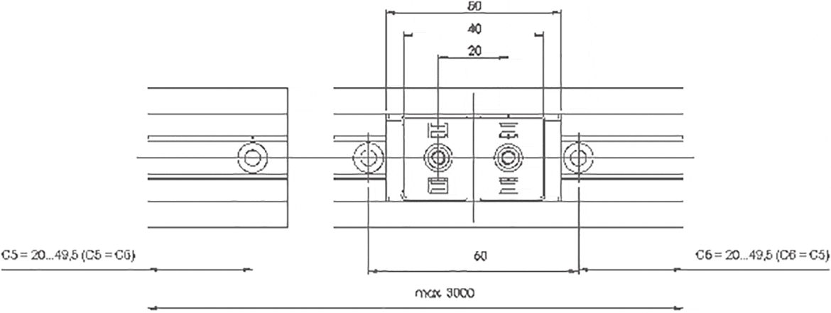
drylin® N - Low profile linear guide system NK-01-40

Version 01 with through hole:

Order no. Max. rail lengths a C4 A3 C5=C6 h h1 K1* ly lz Weight of rail Price / m  
  [L max.]       Min. max.       [mm2] [mm2] [g/m]    
Verzendklaar in 24-48 uur NS-01-40 3000 40 60 0 20 20/49,5 8,7 1,3 M4 26400 970 450 35,99 EUR Voeg toe aan winkelmandje
Verzendklaar in 24-48 uur NS-01-40-UNGEBOHRT 3000 40 0 0 0 8,7 1,3 26400 970 450 32,22 EUR Voeg toe aan winkelmandje
Verzendklaar in 24-48 uur NS-01-40-AR 3000 40 60 0 20 20/49,5 8,7 1,3 M4 26400 970 450 41,39 EUR Voeg toe aan winkelmandje
Meer over het geselecteerde onderdeel:
3D-CAD 3D-CAD
Monsterbestelling Monsterbestelling
PDF PDF
Prijsaanvraag Prijsaanvraag
myCatalog myCatalog

For unbored rails please indicate "Unbored" in the remark.
* for cylinder screw with low head

Version 01 with through hole:

Order no. Designation Weight of carriage    
    [g]    
Verzendklaar in 24-48 uur NW-01-40 Wagen geclipst 30 7,40 EUR Voeg toe aan winkelmandje
Verzendklaar in 24-48 uur NW-01-40-LLY Wagen geclipst, Loslager y-Richtung 30 7,39 EUR Voeg toe aan winkelmandje
Verzendklaar in 24-48 uur NW-01-40-LLZ Wagen geclipst, Loslager z-Richtung 30 7,39 EUR Voeg toe aan winkelmandje
Verzendklaar in 24-48 uur NW-01-40-LLYZ Wagen geclipst, Loslager y- und z-Richtung 30 7,39 EUR Voeg toe aan winkelmandje
Meer over het geselecteerde onderdeel:
3D-CAD 3D-CAD
Monsterbestelling Monsterbestelling
PDF PDF
Prijsaanvraag Prijsaanvraag
myCatalog myCatalog

Version 01: Dimensions [mm] - guide carriages

Part. No. H A C C1 C2 A2 H2 K2 K3 K4 Sp min. Dp Ø min. Weight
  ±0,35                       [g/m]
Verzendklaar in 24-48 uur NW-01-40 9,5 23 50 40 20 0 1,3 0 0 30
Verzendklaar in 24-48 uur NW-01-40-LLY 9,5 23 50 40 20 0 1,3 0 0 30
Verzendklaar in 24-48 uur NW-01-40-LLZ 9,5 23 50 40 20 0 1,3 0 0 30
Verzendklaar in 24-48 uur NW-01-40-LLYZ 9,5 23 50 40 20 0 1,3 0 0 30
Meer over het geselecteerde onderdeel:
3D-CAD 3D-CAD
Monsterbestelling Monsterbestelling
PDF PDF
Prijsaanvraag Prijsaanvraag
myCatalog myCatalog

Version 11 molded through hole

Order no. Designation Weight of carriage    
    [g]    
Verzendklaar in 24-48 uur NW-11-40 Wagen umspritzt 30 7,40 EUR Voeg toe aan winkelmandje
Verzendklaar in 24-48 uur NW-11-40-LLY Wagen umspritzt, Loslager y-Richtung 30 7,39 EUR Voeg toe aan winkelmandje
Verzendklaar in 24-48 uur NW-11-40-LLZ Wagen umspritzt, Loslager z-Richtung 30 7,40 EUR Voeg toe aan winkelmandje
Verzendklaar in 24-48 uur NW-11-40-LLYZ Wagen umspritzt, Loslager y- und z-Richtung 30 7,39 EUR Voeg toe aan winkelmandje
Meer over het geselecteerde onderdeel:
3D-CAD 3D-CAD
Monsterbestelling Monsterbestelling
PDF PDF
Prijsaanvraag Prijsaanvraag
myCatalog myCatalog

Version 11: Dimensions [mm] - guide carriages

Part. No. H A C C1 C2 A2 H2 K2 K3 K4 Sp min. Dp Ø min. Weight
  ±0,35                       [g/m]
Verzendklaar in 24-48 uur NW-11-40 9,5 23 20 40 50 0 1,3 0 0 0 30
Verzendklaar in 24-48 uur NW-11-40-LLY 9,5 23 20 40 50 0 1,3 0 0 0 30
Verzendklaar in 24-48 uur NW-11-40-LLZ 9,5 23 20 40 50 0 1,3 0 0 0 30
Verzendklaar in 24-48 uur NW-11-40-LLYZ 9,5 23 20 40 50 0 1,3 0 0 0 30
Meer over het geselecteerde onderdeel:
3D-CAD 3D-CAD
Monsterbestelling Monsterbestelling
PDF PDF
Prijsaanvraag Prijsaanvraag
myCatalog myCatalog

Ordering of a complete system

Configuration in few steps:

1. Selection of the number of carriages
2. Selection of the type of carriage
3. Entry of the rail length in mm
4. Selection of the carriage options
5. Selection of the rails options.

Hint:

Detailed information can be found above in the drawings and tables, as well as in the below mentioned pages. You can obtain precise specifications on the floating bearing options within the design rules.
1

no floating bearing

2

Floating bearing in z-direction

3

Floating bearing in y-direction

4

Floating bearing in yz-direction

drylin® NK – complete set

Step 1

Enter the required number of carriages.

technical drawing
No. of carriages:

Carriage length in version NW-12-40: 52 mm

A = M4 (max. tightening torque 1,2 Nm)
B = Bores min. Ø 6,5
C = for mashine screws M4, DIN 7984 / DIN 6912 / DIN 84, EN ISO 1707 / EN ISO 7045

Static load capacity and moments of inertia of an area

Optional:

End cap for rail,
Order no.  NSK-40

Verzendklaar in 24-48 uur

The termen "Apiro", "AutoChain", "CFRIP", "chainflex", "chainge", "chains for cranes", "ConProtect", "cradle-chain", "CTD", "drygear", "drylin", "dryspin", "dry-tech", "dryway", "easy chain", "e-chain", "e-chain systems", "e-ketten", "e-kettensysteme", "e-loop", "energy chain", "energy chain systems", "enjoyneering", "e-skin", "e-spool", "fixflex", "flizz", "i.Cee", "ibow", "igear", "iglidur", "igubal", "igumid", "igus", "igus improves what moves", "igus:bike", "igusGO", "igutex", "iguverse", "iguversum", "kineKIT", "kopla", "manus", "motion plastics", "motion polymers", "motionary", "plastics for longer life", "print2mold", "Rawbot", "RBTX", "readycable", "readychain", "ReBeL", "ReCyycle", "reguse", "robolink", "Rohbot", "savfe", "speedigus", "superwise", "take the dryway", "tribofilament", "tribotape", "triflex", "twisterchain", "when it moves, igus improves", "xirodur", "xiros" en "yes" zijn wettelijk beschermde handelsmerken van igus® GmbH/Keulen in de Bondsrepubliek Duitsland en, indien van toepassing, in sommige andere landen. Dit is een niet-uitputtende lijst van handelsmerken (bijv. lopende handelsmerkaanvragen of geregistreerde handelsmerken) van igus GmbH of gelieerde ondernemingen van igus in Duitsland, de Europese Unie, de VS en/of andere landen of rechtsgebieden.

igus® GmbH benadrukt dat het geen producten verkoopt van de bedrijven Allen Bradley, B&R, Baumüller, Beckhoff, Lahr, Control Techniques, Danaher Motion, ELAU, FAGOR, FANUC, Festo, Heidenhain, Jetter, Lenze, LinMot, LTi DRiVES, Mitsubishi, NUM, Parker, Bosch Rexroth, SEW, Siemens, Stöber en alle andere drive-fabrikanten die worden genoemd op deze website. De producten die worden aangeboden door igus® zijn die van igus® B.V.