Hier kunt u uw kabelrupssysteem individueel configureren. Alle invoer en wijzigingen worden in de configuratie aan de zijkant van de pagina overgenomen.
Series 1500 ESD - Kabelrups, openklikbaar langs de buitenradius
De E2/000 ESD series is de vierde generatie in deze grootte. Alle ervaring uit het veld is verwerkt in deze series: gemakkelijke en veelzijdige montage gecombineerd met robuustheid - sterkte gecombineerd met stil bedrijf, lange levensduur voor kabels en een breed scala aan montage-opties.
Het design is
consistent binnen alle E2/000 modellen. Het is het standaard product waar machinebouwers wereldwijd op vertrouwen.
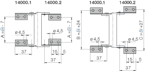
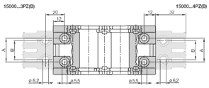
Beschikbare inwendige breedtes Bi: 15 tot 80 mm
Beschikbare buigradii R: 38 tot 145 mm
Steek: 33,3 mm / schakels = 30 schakels/m